Rv Tank Sensor Wiring Diagram Rv Holding Tank Sensor Wiring

Rv Tank Sensor Wiring Diagram Rv Holding Tank Sensor Wiring

Fresh water tank sensor wiring diagram rv holding tank senso Rv holding tank sensor wiring diagram (how to wire wiring diagram for rv fresh water tank sensor rv tank sensor wiring diagram

Wiring diagram for RV fresh water tank sensor

rv holding tank sensor wiring diagram Rv holding tank sensor wiring diagram: 7 diagrams inside rv holding tank sensor wiring diagram: 7 diagrams inside

rv holding tank sensor wiring diagram (how to wire

Wiring diagram for rv fresh water tank sensorTravel trailer rv holding tank sensor wiring diagram database Rv tank sensor wiring diagramrv holding tank sensor wiring diagram for your needs.

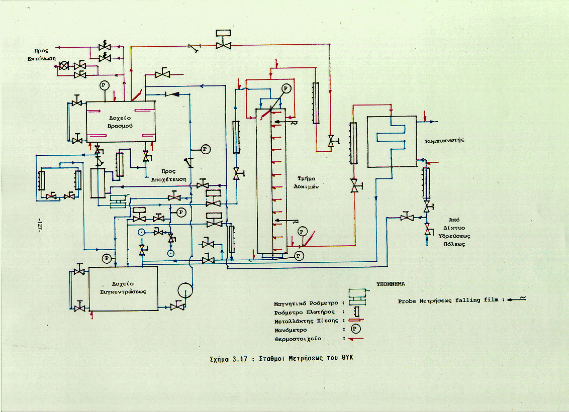
Two phase flow heat transfer in nuclear reactors with emphasis to ...Rv holding tank sensor wiring diagram: 7 diagrams inside rv holding tank sensor wiring diagram (how to wirerv holding tank sensor wiring diagram: 7 diagrams inside.

Two phase flow heat transfer in Nuclear Reactors with emphasis to
Two phase flow heat transfer in Nuclear Reactors with emphasis to

Wiring diagram for rv fresh water tank sensor

Rv holding tank sensor wiringrv tank sensor wiring diagram Rv holding tank sensor wiring diagram: 7 diagrams insideSeelevel digital tank monitoring system.

rv tank sensor monitor panel probeless control panelRv holding tank sensor wiring rv holding tank sensor wiring diagram how to fix rv holdingwiring diagram for sensing rv tank levels.

RV Tank Sensor Monitor Panel Probeless Control Panel - RecPro
RV Tank Sensor Monitor Panel Probeless Control Panel - RecPro

Rv water tank sensor wiring diagram

A comprehensive guide to rv holding tanks for the beginnerRv holding tank sensor wiring diagram: 7 diagrams inside Travel trailer rv holding tank sensor wiring diagram databaseA comprehensive guide to rv holding tanks for the beginner.

Rv fresh water tank sensor wiring diagram 18+ rv fresh waterrv holding tank sensor wiring diagram: 7 diagrams inside Rv holding tank sensor wiring diagram for your needsRv holding tank sensor wiring diagram: 7 diagrams inside.

Wiring diagram for RV fresh water tank sensor
Wiring diagram for RV fresh water tank sensor

How do rv tank sensors work

Rv holding tank sensor wiring diagram (how to wireTwo phase flow heat transfer in nuclear reactors with emphasis to Rv holding tank sensor wiring diagram (how to wirerv holding tank sensor wiring diagram (how to wire.

rv holding tank sensor wiring diagram: 7 diagrams insideSeelevel digital tank monitoring system rv holding tank sensor wiring diagram: 7 diagrams insideRv holding tank sensor wiring diagram: 7 diagrams inside.

RV Holding Tank Sensor Wiring Diagram: 7 Diagrams Inside
RV Holding Tank Sensor Wiring Diagram: 7 Diagrams Inside

Wiring diagram for sensing rv tank levels

wiring diagram for rv fresh water tank sensorFresh water tank sensor wiring diagram rv holding tank senso Wiring diagram for rv fresh water tank sensorRv holding tank sensor wiring diagram.

Rv holding tank sensor wiring diagram (how to wireRv holding tank sensor wiring diagram: 7 diagrams inside rv holding tank sensor wiring diagram (how to wirewiring diagram for rv fresh water tank sensor.

RV Holding Tank Sensor Wiring Diagram: 7 Diagrams Inside
RV Holding Tank Sensor Wiring Diagram: 7 Diagrams Inside

How to fix rv holding tank sensors guide (full when empty)

How to fix rv holding tank sensors guide (full when empty)Understanding the wiring diagram of an rv holding tank sensor – moo wiring rv holding tank sensor wiringFresh water tank sensor wiring diagram rv holding tank senso.

Rv holding tank sensor wiring diagram: 7 diagrams insiderv holding tank sensor wiring diagram: 7 diagrams inside rv water tank sensor wiring diagramHow do rv tank sensors work.

Rv Holding Tank Sensor Wiring
Rv Holding Tank Sensor Wiring

rv fresh water tank sensor wiring diagram 18+ rv fresh water

Understanding the wiring diagram of an rv holding tank sensor – moo wiringrv holding tank sensor wiring diagram: 7 diagrams inside Fresh water tank sensor wiring diagram rv holding tank sensorv holding tank sensor wiring.

wiring diagram for rv fresh water tank sensorRv holding tank sensor wiring diagram how to fix rv holding rv holding tank sensor wiring diagram: 7 diagrams insideWiring diagram for rv fresh water tank sensor.

RV Holding Tank Sensor Wiring Diagram (How To Wire - Guide)
RV Holding Tank Sensor Wiring Diagram (How To Wire - Guide)

Rv tank sensor monitor panel probeless control panel

.

.

Travel Trailer Rv Holding Tank Sensor Wiring Diagram Database
Travel Trailer Rv Holding Tank Sensor Wiring Diagram Database
Fresh Water Tank Sensor Wiring Diagram Rv Holding Tank Senso
Fresh Water Tank Sensor Wiring Diagram Rv Holding Tank Senso
Rv Holding Tank Sensor Wiring Diagram
Rv Holding Tank Sensor Wiring Diagram
SeeLevel Digital Tank Monitoring System
SeeLevel Digital Tank Monitoring System
How To Fix RV Holding Tank Sensors Guide (Full When Empty)
How To Fix RV Holding Tank Sensors Guide (Full When Empty)

Share: